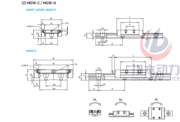
MGW7H 臺灣HIWIN滑塊 HIWIN導(dǎo)軌 臺灣上銀滑塊導(dǎo)軌
組件尺寸 | H | 9 | mm |
H1 | 1.9 | mm | |
N | 5.5 | mm | |
滑塊尺寸 | W | 25 | mm |
B | 19 | mm | |
B1 | 3 | mm | |
C | 19 | mm | |
L1 | 30.8 | mm | |
L | 41 | mm | |
G | - | mm | |
Gn | 1.2 | mm | |
MxL | M3*3 | mm | |
H2 | 1.85 | mm | |
導(dǎo)軌尺寸 | WR | 14 | mm |
WB | - | mm | |
HR | 5.2 | mm | |
D | 6 | mm | |
h | 3.2 | mm | |
d | 3.5 | mm | |
P | 30 | mm | |
E | 10 | mm | |
導(dǎo)軌的固定螺栓尺寸 | 導(dǎo)軌的固定螺栓尺寸 | M3*6 | mm |
基本動額定載荷 | C | 180 | kN |
基本靜額定載荷 | C0 | 320 | kN |
容許靜力矩 | MR | 2.39 | kN-m |
MP | 1.58 | kN-m | |
MY | 1.58 | kN-m | |
重量 | 滑塊 | 29 | g |
導(dǎo)軌 | 0.51 | kg/m |
TAG:list


